

目前国内压力表厂家生产的¢60mm轴向带边耐震压力表均为轴向同心式,三个安装孔中心距为¢75mm,按照压力表新国标《一般压力表》GB/T1226-2010第4.3.5条规定,三个安装孔中心距为¢72mm,这样就导致原来用普通压力表的用户改用耐震压力表后安装不便。
为满足用户安装使用要求,公司新开发了一款¢60mm轴向带边偏心充油耐震压力表(三个安装孔中心距为¢72mm),该压力表适用于柴油机润滑油、缸套冷却水、燃油、增压器滑油、冷却器冷却水等测压系统及其他测压系统,可承受工作环境剧烈振动,同时可耐受介质的脉动冲击及突然卸荷,仪表指示稳定清晰,使用寿命长。
技术参数:

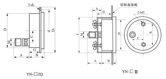
外形安装尺寸:


注:1、连接螺纹也可按照要求生产.。
公司是专业设计、研发、生产、销售各种压力表和温度计的专业化企业,可根据用户需要,设计、制造特殊用途的压力表温度计产品,欢迎来人来电、来函洽谈!
